Frequency Response Relay – Working Principle, Types, Characteristics, Applications, and Advantages

Frequency Response Relay

1. What is a Frequency Response Relay? A Frequency Response Relay is a protective device that operates when the power system frequency deviates from its normal value. It continuously monitors frequency and triggers corrective actions, such as tripping a circuit breaker, whenever the frequency rises or falls beyond preset limits to ensure system stability and … Read more

Bimetallic Thermal Overload Relay – Types, Construction, Working and Applications

Bimetallic Thermal Overload Relay

What is a Bimetallic Thermal Overload Relay? A Bimetallic Thermal Overload Relay is a protective device that protects the motor from damage caused by overload or excessive current (overcurrent).It works on the principle of thermal expansion of metals, where the strip bends when heated and breaks the circuit. 🏗️ 2. Construction of Bimetallic Thermal Overload … Read more

Electronic Timer – Working Principle, Types, Circuit, Advantages, and Applications

Electronic Timer

What is an Electronic Timer? An Electronic Timer is a device that uses an electronic circuit to generate a time delay.It is generally of the ON-Delay type, meaning that after receiving an input signal, the output becomes active after a certain delay period. How many types of Electronic Timers? There are five main types of … Read more

Superposition Theorem Examples with Solutions |Definition , Derivation & Application

Superposition Theorem Examples with Solutions

Superposition Theorem In this article on Superposition Theorem Examples with Solutions, you will learn how to apply the Superposition Theorem step-by-step, understand its mathematical foundation, and solve real numerical problems involving DC, AC (phasor), mixed DC+AC, and dependent-source circuits. 📖 Definition The Superposition Theorem is a fundamental principle that states: 👉 In any linear, bilateral … Read more

Open and Short Circuit Test of Transformer: Procedure, Formulas, Errors & Applications

Open and Short Circuit Test of Transformer

Introduction A transformer is considered the backbone of the power system. It helps transfer electricity safely and efficiently from one voltage level to another. But before any transformer is commissioned in a real power network, certain standard tests are carried out to check its safety and efficiency. The most important of these tests are – … Read more

Significance of Transformer Ratings: Essential Guide for Safety & Efficiency

Significance of Transformer Rating

Introduction Transformers are vital components in electrical power systems, and their safe and efficient operation depends heavily on correct usage as per their design limits. One of the most important aspects that ensures this is transformer ratings. These ratings define the limits within which a transformer can operate without compromising its safety, performance, or efficiency. … Read more

Direct Loading Test on a Transformer: Circuit Diagram, Procedure, Calculation, Advantages, Disadvantages

Direct Loading Test on a transformer

Introduction Transformers are essential electrical machines that require proper testing to ensure reliable operation, efficiency, and safety. Several testing methods are used to analyze transformer performance, such as: 2. Importance of Direct Loading Test on a Transformer Performance Evaluation The Direct Loading Test on a transformer holds special significance because: This test directly measures input … Read more

losses and efficiency in transformer: Core, Copper, Iron, with Efficiency Formula

losses and efficiency in transformer

Introduction A transformer is one of the most vital electrical machines used in power systems. Its primary role is to step up or step down voltage levels, making power transfer more reliable and economical. Transformers ensure smooth and efficient power transmission from generating stations to end users, reducing waste and maintaining system stability. The transformer’s performance … Read more

Top 10 Powerful Insights into the Equivalent Circuit of a Transformer:

Equivalent Circuit of a Transformer:

1. Introduction Transformers are vital components in electrical power systems, used to step up or step down voltages efficiently. However, a real transformer is not perfect — it has losses and non-idealities. The equivalent circuit is a simplified model that represents these imperfections, helping engineers analyze and design transformers effectively. 2. What is an Equivalent … Read more

Leakage Reactance in Transformer: Formula, Factors, Impact, Measurement

Leakage Reactance in Transformer

1. Introduction A transformer is a key device in electrical power systems. It moves electrical energy from one circuit to another using electromagnetic induction. In an ideal world, transformers would work perfectly with no losses or voltage drops. But in real life, they have limits. One important factor is leakage reactance. This affects how well … Read more

Operation of Transformer in On-Load Condition: Phasor Diagram, Load Effects

Operation of Transformer in On-Load Condition

Operation of Transformer in On-Load Condition To understand the operation of a transformer in load, let us first recall its on-load condition. In the on-load state, when an input voltage is applied across the primary winding, a small on-load current flows. This current establishes a magnetic flux in the transformer core. What is a Transformer? … Read more

Difference Between Ideal and Practical Transformer

Difference Between Ideal and Practical Transformer

Difference Between Ideal and Practical Transformer When it comes to learning about transformers, two terms often pop up: ideal transformer and practical transformer. They sound similar, but there’s a big difference between them. Let’s explore it in a way that’s easy to understand. What is a Transformer? A transformer is an electrical device that transfers … Read more

brake test of dc motor: Working, efficiency,Advantage and disadvantages

brake test of dc motor

Understanding the brake test of dc motor: Imagine trying to find out how well a DC motor is working—how much of the electrical power it uses turns into useful mechanical work. One easy and direct way to check this in a lab is by do something called a Brake Test. Let’s break it down in … Read more

Two-Point Starter: Construction, Working, Diagram, Advantages,

Two-Point Starter

Two-Point Starter A two-point starter is used for starting DC series motors. It is a simple device that helps control the starting current to prevent damage to the motor. A Two-Point Starter is a simple device used FOR safely starting a DC series motor. When a motor starts, it can draw a large amount of … Read more

Three-Point Starter: Diagram, Construction, Working, Limitations

Three-Point Starter

Three-Point Starter A three-point starter is commonly used to safely start DC shunt motors. Just like the two-point starter, it controls the high inrush of current when the motor is switched on. But this one comes with an added feature—overload and no-voltage protection, making it more reliable. What is a Three-Point Starter? The name “three-point” … Read more

DC Motor Starter: Types, Difference, working, Back EMF and Speed Relationship

DC Motor Starter

DC Motor Starter: DC motors, especially those below 1 HP (0.746 kW), can often be directly connected to a power supply. This is possible because smaller motors have a relatively high armature resistance (Ra), which naturally limits the starting current. Some examples include: However, this direct online starting method cannot be used with larger motors … Read more

Speed regulation of dc motors: formula, Important, types,

Speed regulation of dc motors

What Is Speed Regulation? Think about riding a bicycle. When you’re going downhill with no backpack, it’s super fast and smooth. But going uphill with a heavy bag? How to calculate the speed regulation of DC motors? DC motors act the same way. When there’s no load, they run fast. When there’s a heavy load, … Read more

Electrical Outlet Wiring: Technical Guide for Electrical Engineering Students

Electrical Outlet Wiring

Introduction Electrical outlets form an essential part of residential and commercial electrical infrastructure. They provide the interface between electrical devices and a building’s power distribution system. For students pursuing electrical engineering or a related field, understanding the principles and practices of electrical outlet wiring is crucial not only for practical installations but also for developing … Read more

Speed Control of DC Shunt Motors: 6 Types Methed, Applications, Diagram, Advantages

Speed Control of DC Shunt Motors

How to Speed Control of DC Shunt Motors: While controlling the speed of a DC shunt motor may seem like a daunting task, with a little bit of guidance, it can be very simple. This tutorial will break this down step by step with simple language and relevant illustrations.  🔌 A DC Shunt Motor: A … Read more

UP Polytechnic Counseling Date 2025: round 3,4,5 All Information

UP Polytechnic Counseling

Applicable Groups: UP Polytechnic Counseling Group A, B, C, D, F, G, H, I, K1 to K8, and L UP Polytechnic Counseling Date 2025 Main Online Counseling (1st Phase) Eligible Candidates: Uttar Pradesh Candidates Round 1 Choice Filling: 27 June to 2 July 2025 Seat Allotment Result: 3 July 2025 Freeze/Float Option + Fee Payment: … Read more

How to DC Motor Speed Control: Thyristor Controlled Rectifier, Vfd, PWM, Arduino

DC Motor Speed Control

What is DC Motor Speed Control? Every electric motor has a fixed speed written on its nameplate. This is called the rated speed. It tells us how fast the motor is supposed to run when it’s working normally. But in real life, things keep changing. When the load on the motor changes — like if … Read more

Water Treatment Plant (WTP): Working Principle, Advantages, Environmental Impact

Water Treatment Plant

What is a Water Treatment Plant (WTP)? Water is one of the most essential elements of life, but not all water is suitable for use in homes, industries, or agriculture. In many regions, natural water contains dissolved minerals, dust, microbes, and other harmful substances. These impurities can cause damage to pipelines, reduce the efficiency of … Read more

Uninterrupted Power Supply: Online UPS, Offline UPS, Safety, Maintenance Checklist

Uninterrupted Power Supply

Electricity is the invisible energy that powers almost everything around us. From the smallest home appliance to the most advanced hospital life-support system—modern life relies entirely on electricity. But electricity is not always reliable. Power failures, voltage fluctuations, or even short interruptions can cause data loss, machine damage, or even life-threatening situations in critical areas … Read more

Retrofit Emission Control Devices: Working, Benefits, Types, Uses, Installation, Maintenance

Retrofit Emission Control Devices

Retrofit Emission Control Devices: Clean air is not just important. It is life. Every breath we take should be pure and safe. But sadly, the air around us is filled with harmful gases and tiny particles. These come from vehicles, factories, and other machines that burn fuel. One strong and smart solution to reduce this … Read more

Electrical Measuring Instruments: Absolute, Secondary, Indicating Instruments

Electrical Measuring Instruments

What are Measuring Instruments? Measuring instruments are the tools that help us see and understand what’s happening inside an electric circuit. They show us things we can’t see with our eyes – like how much current is flowing or how much voltage is present. Now let’s understand their types. Types of Measuring Instruments There are … Read more

Flushing Cistern: Water Closets (WC), Urinals

Flushing Cistern

Flushing Cistern A flushing cistern is a simple water tank that stores water and then releases it quickly to clean the toilet or urinal after use. When someone uses the toilet, we need water to wash away the waste. That’s exactly what a flushing cistern does. It holds clean water and, with just one push … Read more

Compensating Winding: Advantages, Function & Working

Compensating Winding

Compensating Winding When a motor or generator is working, the current inside the armature (the rotating part) keeps changing, especially when the load changes suddenly or becomes too heavy. These changes in current create something called a cross magnetizing effect, which means the magnetic field gets pushed to one side. Now imagine this — every … Read more

armature reaction in dc machine: Part, Effect, GNA, MNA, Brush Axis, EMF

Armature Reaction in DC Machine

Armature Reaction – Definition When a motor or generator is running, there are two types of magnetic fields inside it. One magnetic field comes from the main field winding (which is supposed to be there), and the second one comes from the armature winding (the rotating part). Now, when the armature winding carries current, it … Read more

Commutation in dc machine: Commutation in dc generator and motor, Interpoles

Commutation in dc machine

Commutation in dc machine Let’s imagine the heart of a DC generator — the armature — is always spinning. As it spins, the current in its wires keeps changing direction. That means it actually creates alternating current (AC), not direct current (DC) at first. But we call it a DC generator — why? That’s because … Read more

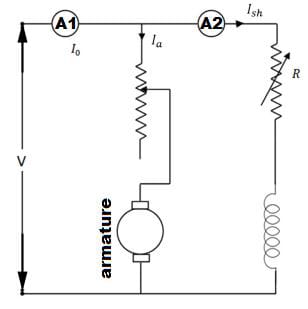
characteristics of dc shunt generator: Working Principle, EMF Equation, Use

characteristics of dc shunt generator

DC Shunt Generator A DC Shunt Generator is a special type of DC generator that is commonly used because it works on its own without needing any outside power to get started. It gives a stable voltage, whether you’re using it a little or a lot. Let’s understand characteristics of dc shunt generator how it … Read more