Electrical Power Distribution System
The distribution system is the part of the electric supply network that delivers electricity from the distribution substation to the end consumers (homes, shops, farms, etc.).
Thank you for reading this post, don't forget to subscribe!An electrical distribution system is a network of equipment that carries electricity from high-voltage transmission lines to homes, businesses, and other users. It acts as a link between the power plants (or transmission systems) and the places where electricity is used.
One of the key parts of this system is the distribution substation. This substation uses transformers to reduce the high voltage of electricity coming from the transmission lines to a lower, safer level. This lower voltage is suitable for use in houses, shops, schools, and factories. By stepping down the voltage, the substation ensures that electricity is safe and usable for everyone.
It mainly has three parts:
- Feeder:
- This line connects the distribution substation to the area where power is to be supplied.
- No consumers are directly connected to it, so the current remains the same throughout the feeder.
- It is designed to carry large amounts of current safely.
- Distributor:
- This part carries electricity from the feeder and provides connections (called tappings) to consumers.
- Current varies along the distributor because power is drawn at different points.
- It is designed to keep voltage drops within limits, as per Indian standards, to ensure all consumers get proper voltage.
- Service Mains:
- These are the final connections from the distributor to each individual consumer (like your house or shop).
- These are the final connections from the distributor to each individual consumer (like your house or shop).
Primary and Secondary Electrical Power Distribution System
🔌 Primary Distribution
- Power is first supplied from the main substation in the city to large high-tension (HT) consumers.
- This supply is given through a 3-phase, 3-wire overhead or underground system at 11 kV or 33 kV.
- These large consumers then use their own transformers to step down the voltage to 415/220 volts, 3-phase, 4-wire for use within their premises.
- The section from the substation to these large consumers is called the Primary Distribution System.
🏘️ Secondary Distribution
- Power from primary lines is sent to pole-mounted transformers near homes or small businesses.
- These transformers reduce the voltage to 415/220 volts, 3-phase, 4-wire for final use.
- Residential users usually get a single-phase supply, while industrial or commercial users get a 3-phase supply.
- The Secondary Distribution System includes:
- Feeders: Carry power from substations to transformers.
- Distributors: Deliver power from transformers to different areas.
- Service Mains: Connect distributors to individual homes or buildings.
- The entire stretch from the distribution substation to the consumer’s home is called Secondary Distribution.
📡 Feeder System
- In cities, where safety and maintenance are important, underground feeders are used.
- In rural areas, overhead feeders are preferred because they’re cheaper and easier to repair.
⚡ AC vs DC in Power Distribution
- Most power plants produce Alternating Current (AC).
- Transmission and distribution are also done in AC, not Direct Current (DC).
- Why AC?
- Easily transformed using transformers (step-up or step-down).
- Economical and efficient for long-distance transmission.
- Even though homes get AC power, most electronic devices run on DC.
- That’s why devices have in-built converters to change AC to DC.
- That’s why devices have in-built converters to change AC to DC.
types of Electrical Power Distribution System
A distribution system is broadly classified into two main types: radial distribution and network distribution. In a radial system, electrical power flows in a single path from the distribution substation to the load. In contrast, a network distribution system allows power to flow through multiple paths simultaneously, offering better reliability and flexibility.
Both these types of systems can be further categorized into different feeder arrangements. Figure 1.3 illustrates common feeder configurations, including tie, loop, radial, and parallel feeders. The following sections explain the key features and characteristics of each of these feeder arrangements in detail.
Tie Feeder
In a tie feeder system, two power sources are connected using a tie line to supply a load, as shown in Figure 1.3(a). This setup ensures service continuity, meaning the load can be supplied from either of the two power sources. If one source fails, the other can still maintain the power supply.
diagram for Tie Feeder

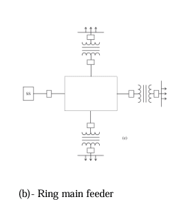
Ring Main Feeder
A ring main feeder is a closed-loop system that is supplied by multiple sources and delivers power to various load sections. It is commonly used in urban areas. The main advantage of this system is that each load point can receive electricity from both directions. This means any section of the system can be isolated for maintenance or fault clearance without interrupting the power supply to the remaining load points.
diagram for Ring Main Feeder

Radial Feeder
A radial feeder is a simple type of power distribution system where electricity flows in one direction—from the substation to the load points. Each feeder can supply power to one or more users, but all are connected in a single line.
In this setup, power comes from only one side. So, if there is a fault or maintenance on the line, the electricity supply is interrupted until it is fixed. That’s why supply continuity is a challenge in radial systems.
Radial feeders are very common in villages, especially for agriculture and residential use. This is because:
- The design is simple
- It is easy to protect with basic equipment
- It is low in cost
diagram for Radial Feeder

Parallel Feeder
In a parallel feeder system, multiple radial feeders connect the distribution substation to the consumers or local areas. This setup allows electricity to reach the load through one or more feeders at the same time.
The main advantage of this arrangement is reliability. If one feeder fails or needs maintenance, the power can still be supplied through the other parallel feeders. This means:
- No power interruption for consumers during maintenance.
- Easy and quick restoration of supply in case of a fault.
- Improved flexibility in operation and load management.
Overall, the parallel feeder system helps ensure a continuous and stable power supply to consumers.
diagram for Parallel Feeder

Method / Steps of Construction of Electrical Power Distribution System
The construction of an electric supply distribution system involves the following key steps:
1. Selecting Substation Location
- Choose a suitable site for the distribution substation near the load centres (areas where electricity is most needed).
- This reduces power loss and ensures efficient supply.
2. Planning and Designing Feeders
- Plan and design the feeder lines based on:
- Type of load (residential, commercial, industrial)
- Required load capacity
- Important considerations:
- Feeder length should be as short as possible
- Voltage drop must be minimized
- Feeders are usually laid along the roadside for easy maintenance and repair.
3. Categories of Distribution Systems
The system is divided into three voltage levels:
- Primary Distribution System
- Voltage: 11 kV or 33 kV
- Transfers electricity from grid substation to distribution substations
- Secondary Distribution System
- Voltage: 11 kV or 6.6 kV
- Connects distribution substations to distribution transformers
- Low Voltage Distribution System
- Voltage:
- 400/415 V (3-phase)
- 230/240 V (Single-phase)
- Supplies electricity to end consumers (homes, offices, shops)
- Voltage:
4. Calculating Ratings
- Calculate feeder rating based on total consumer load.
- Based on this rating, determine the size and specifications of the switchgear to be installed at the substation.
5. Substation Placement
- Ideally, the substation should be located at the centre of the load area.
- This allows radial feeder connections, ensuring better load distribution and voltage regulation.
Basics of Distribution:
Unit Highlights
1. Power System
The process of electrical power generation, transmission, and distribution is called the Power System.
- Generation: Typically at 11 kV
- Transmission: At 132 kV or above
- Distribution: At 415V / 220V
Power Flow:Energy Source → Generating Station → Transmission System → Distribution System → Utilization
2. Layout of Electrical System
The layout includes the entire connection scheme from generation to end-user utilization.
a) Generating Station
- Power is generated using 3-phase alternators.
- Typical generation voltage is 11 kV, but it can also be 6.6 / 9.9 / 13.2 kV.
b) Transmission System
i) Primary Transmission
- Transfers power from the generating station to a substation near the load center.
- Voltage levels: 132 kV / 200 kV / 400 kV
- System: 3-phase, 3-wire overhead system
ii) Secondary Transmission
- Voltage from primary transmission is stepped down at a substation.
- Transmits power to city substations at typically 33 kV.
- System: 3-phase, 3-wire overhead system
c) Distribution System
i) Primary Distribution
- Supplies power from substations to large consumers.
- Voltage level: 11 kV, 3-phase, 3-wire
ii) Secondary Distribution
- Supplies power from substations to end consumers.
- Voltage level: 415 V / 220 V, 3-phase, 4-wire
- Residential Consumers: Single-phase supply
- Industrial/Commercial Loads: Three-phase, 4-wire supply
3. Advantages of HVAC (High Voltage Alternating Current)
- Increases transmission efficiency
- Reduces line voltage drop
- Reduces cost of conductor material
- Increases transmission capacity of the line
4. Limitations of HVAC
- Corona loss increases
(Minimized by using bundled conductors) - Increased tower height required (for safety clearance)
- Complex design of circuit breakers, Potential Transformers (PTs), and Current Transformers (CTs)
- More insulators required → increases overall system cost
Empirical Formula for the Selection of Transmission Voltage
The line voltage VL(in kV) for a power transmission line can be approximately determined by the following empirical formula:
VL=5.5(l/1.6)+(P/150)
or VL=5.5(l/1.6)+(3P/100)
Where:
- VLV_LVL = Line voltage in kilovolts (kV)
- lll = Length of the transmission line in kilometers (km)
- PPP = Power to be transmitted in kilowatts (kW)
7. Economical Choice of Conductor Size – Kelvin’s Law
Kelvin’s Law states that:
The most economical cross-sectional area of a conductor is one for which the total annual cost is minimum.
The total annual cost includes:
- Fixed charges (K₁): Capital investment and annual interest, depreciation, etc.
- Variable charges (K₂·a): Cost related to the conductor’s area aaa (e.g., maintenance, taxes)
- Energy loss cost (K₃/a): Inversely proportional to the conductor area (since larger conductors have less resistance)
Annual Cost=K1+K2⋅a+K3/a
Where:
- a = Cross-sectional area of the conductor
- K1 = Fixed cost (independent of conductor size)
- K2= Cost per unit area of the conductor
- K3 = Cost related to energy loss due to resistance
8. Limitations of Kelvin’s Law
Kelvin’s Law, though useful, has certain practical limitations:
a) Mechanical Strength Concerns:
The area calculated purely for economic efficiency may result in a conductor that is too weak mechanically, especially in long spans.
- Example: Aluminium conductors may need a larger diameter to withstand wind and tension forces, even if it’s not economical.
b) Neglect of Supporting Structure Costs:
The law assumes that the cost of insulators, towers, and cross-arms remains constant regardless of conductor size.
- In reality, larger conductors require stronger (and costlier) supporting structures, so the total cost is influenced by the cross-sectional area.
Components of an Overhead Power Distribution Line
An overhead power transmission line is a crucial part of the electrical power system that carries electricity over long distances from power generation stations to distribution networks. Several key components work together to ensure safe, efficient, and reliable power transmission. These components are discussed in detail below:
Line Conductors
Line conductors are the primary elements responsible for carrying electric power through the transmission lines. These conductors are usually made from Aluminium Conductor Steel Reinforced (ACSR), a material known for its excellent conductivity, strength, and durability. ACSR combines the light weight and high conductivity of aluminium with the mechanical strength of a steel core, making it ideal for overhead transmission lines.
In a three-phase (3-ф) transmission system, which is the standard for power transmission, there are generally three conductors for a single circuit. For double circuit lines, the number of conductors is six. These conductors are suspended high above the ground and span long distances, making their design and material selection critical for safety and efficiency.
Transformers
Transformers are static electrical devices used in the transmission system to change voltage levels as required. They play a vital role in minimizing energy losses and ensuring efficient power delivery.
At the generation end of the transmission line, a step-up transformer is used to increase the voltage. This is essential because transmitting power at higher voltages significantly reduces current and minimizes losses due to resistance in the conductors.
At the receiving end, near the distribution substations or consumer locations, a step-down transformer is used to decrease the voltage to a safer and usable level. This transformation ensures the safe delivery of electricity to homes, industries, and businesses.
Line Supports
To carry conductors safely and maintain adequate clearance from the ground, line supports are used. These supports are generally in the form of steel towers or poles, designed to withstand mechanical stresses caused by wind, weight of the conductors, and environmental factors.
Line supports are strategically placed to keep the transmission line elevated and provide structural stability. They come in various designs such as lattice towers, monopoles, and H-frame structures, depending on the terrain and voltage level of the line.
Line Insulators
Insulators are used to attach the conductors to the line supports while ensuring electrical isolation from the grounded metal towers and the earth. This prevents the current from leaking to the support structures, which could be dangerous.
Insulators are usually made of materials like porcelain, glass, or polymer that do not conduct electricity. Their role is crucial in maintaining safety and reliability of the transmission line, especially under high voltage conditions.
Protective Switchgear
To protect the transmission line from faults such as short circuits, lightning strikes, or overloads, protective switchgear is used. This includes various devices such as:
- Relays: To detect faults and send signals for corrective action.
- Circuit Breakers: To interrupt power flow when a fault is detected.
- Lightning Arrestors: To protect the system from voltage surges caused by lightning.
- Ground Wires: To safely conduct lightning or fault current to the earth.
These protective components help in minimizing damage, ensuring safety, and maintaining continuity of power supply.
Control Switchgear
Control switchgear is responsible for regulating and controlling the operation of the transmission line. It includes devices such as voltage regulators to maintain voltage within desired limits and switches to turn parts of the transmission system on or off as needed.
Control switchgear helps in monitoring system performance, managing load flow, and performing maintenance or emergency operations without disrupting the entire power system.
Choice of Conductor Size
One of the most critical decisions in designing a transmission line is the selection of the appropriate conductor size. The conductor material represents a significant portion of the overall capital cost, and its size directly affects the efficiency and cost of transmission.
The economical choice of conductor size ensures a balance between the initial capital investment and the recurring costs due to energy losses. A larger conductor size may reduce resistance and energy losses but will increase material and installation costs. A smaller size may save on capital costs but lead to higher energy losses.
According to Kelvin’s Law, the most economical conductor size is the one at which the total annual cost of the transmission line is minimum. This total cost includes:
- Annual Capital Charges – covering the cost of purchasing and installing the conductor.
- Annual Energy Loss Costs – representing the cost of power lost due to resistance in the conductor during transmission.
By carefully calculating and comparing these two cost components, engineers can determine the conductor size that provides optimal economic performance over the life of the transmission line.
FAQ
What is an electrical power distribution system?
It is the final stage in the delivery of electricity. It takes power from transmission lines and delivers it to homes, schools, shops, and factories.What are the main parts of a power distribution system?
Substation: Lowers voltage from transmission level.
Distribution lines: Carry electricity to buildings.
Transformers: Reduce voltage for safe use.
Poles/Cables: Hold and carry wires.
Meters: Measure how much electricity is used.What is the difference between transmission and distribution?
Transmission moves electricity over long distances at high voltage.
Distribution sends electricity to end users at lower voltage.What voltage is used in distribution systems?
Typical distribution voltages are 11kV, 22kV, or 33kV, which are later reduced to 230V or 415V for homes and businesses.What is a feeder in a distribution system?
A feeder is a main power line that carries electricity from a substation to local areas or distribution transformers.
