Last updated on July 11th, 2025 at 04:48 pm
Thank you for reading this post, don't forget to subscribe!Commutation in dc machine
Let’s imagine the heart of a DC generator — the armature — is always spinning. As it spins, the current in its wires keeps changing direction. That means it actually creates alternating current (AC), not direct current (DC) at first. But we call it a DC generator — why?
That’s because inside this machine, there’s a smart trick happening: the commutator and brushes work together to change this AC into DC. This smart trick is called commutation.
What Really Happens Inside?
Picture this:
- The wires inside the spinning part (called coils) are connected to copper pieces called commutator segments.
- A small carbon brush gently touches these segments while the machine runs.
- When the armature turns, the brush moves from one segment to the next.
Now here’s the magic:
When the brush moves to the next segment, the coil connected to those two segments gets short-circuited for a tiny moment. During this short moment, the direction of current inside that coil flips.
This flipping of current direction in the coil is what we call commutation.
Why is Commutation Important?
If commutation didn’t happen, your generator would keep producing alternating current — but that’s not what we want in a DC machine. Thanks to commutation, the current becomes one-way, or direct current (DC).
Let’s Understand with a Simple Example
Imagine there are three coils inside the machine: Coil 1, Coil 2, and Coil 3. They are connected to three commutator segments: C1, C2, and C3.
Now there is a brush sitting on top of two segments at once — say C1 and C2.
Each coil carries 10 amps of current. Since two coils are under the brush, the brush carries 20 amps in total.
As the armature spins, the coils move to the right, and the brush slowly shifts to the next segments. When this happens:
- One coil gets short-circuited between the two segments.
- Its current changes direction smoothly.
- This reversal happens very quickly — in just a tiny bit of time.
This time is called the commutation period, written as tc.
Understanding Commutation in DC Machine
Let’s imagine the commutator and brush working together like a post office. The coils are like people sending letters (current), and the brush is the postbox collecting them. But something interesting happens when the postbox (brush) moves from one person to another — this is called commutation.
Let’s break it down step by step:
Starting Point
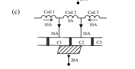
The brush is fully sitting on commutator segment C2. It’s also lightly touching the mica, which is like a small gap that doesn’t conduct electricity.
At this point, the brush is collecting current from coil-2 and coil-3. Both are sending 10A each, so the brush gets a total of 20A.
👉 This is the start of the commutation time, which we call tc.

Moving to the Right
Now, the armature has turned a bit. The brush has started touching C1 while still touching C2. So now it’s connected to both.
This means coil-2 is now short-circuited because both its ends are connected through the brush.
But the brush touches more of C2 than C1, so the current is not shared equally.
👉 The brush gets 5A from one side and 15A from the other — still 20A in total, but unevenly split.

Middle of the Process
Now, the brush is right in the middle of C1 and C2. It’s touching both equally.
At this point, coil-2 is still short-circuited, but now no current flows through it.
The brush gets 10A from coil-1 and 10A from coil-3 — total 20A again.
👉 This is the smoothest part of the process, where everything is balanced.

Further Right
As the armature moves more, the brush now touches more of C1 and less of C2.
So again, the current is not equal.
👉 The brush now gets 15A from one side and 5A from the other. Still 20A, but unbalanced.

End Point
Finally, the brush is fully on C1 and touching the mica on the other side.
Now it is getting current from coil-1 and coil-2, each sending 10A, so again it collects 20A.
👉 This marks the end of the commutation period tc.

Understanding Commutation and Its Challenges in DC Machines
In a DC machine, commutation refers to the process of reversing the direction of current in the coil that is about to leave the influence of one brush and come under the influence of the other. Ideally, this reversal of current should occur smoothly and completely within a short duration known as the commutation period (denoted as tc). However, in practice, several factors can hinder this process, leading to undesirable effects like sparking at the brushes. Let us explore the ideal and non-ideal behavior during commutation, with a focus on the role of inductance and the resulting phenomenon known as under-commutation.
Linear Commutation: The Ideal Case
In an ideal scenario, known as Linear Commutation, the current in the coil undergoing commutation (referred to as coil 2) reverses uniformly from a positive value of +I to a negative value of -I during the commutation period tc. For instance, if the coil initially carries +20A and is supposed to reverse to -20A, this change happens in a smooth, straight-line fashion over time as shown in

During this process, the brush remains in contact with both the old and the new commutator segments long enough for the current to complete its reversal. As a result, there is no sparking at the brush-commutator interface, and the machine continues to operate efficiently and quietly.
Under-Commutation: The Practical Reality
In real-world machines, the current often fails to reverse completely within the allotted commutation period. This phenomenon is referred to as Under-Commutation or Delayed Commutation. It means that when the brush moves forward and breaks contact with the previous commutator segment, the current in the coil has not yet reached its full negative value. Some positive current still remains in the coil.
This leftover current attempts to continue its flow through the previous commutator segment. But since the brush has already moved forward and lost physical contact with that segment, the current is forced to jump across an air gap. This results in sparking between the brush and the commutator segment, as shown in Fig. Sparking not only causes wear and tear on the brushes and commutator but also generates heat and electromagnetic interference, reducing the machine’s efficiency and lifespan.

Cause of Under-Commutation: Coil Inductance and Reactance Voltage
The major reason why commutation does not remain linear in practice is the inductance of the coil undergoing commutation. Every coil in a DC machine has some inherent inductance. When the current in such a coil changes, the inductance resists this change by producing a voltage called the self-induced electromotive force (EMF).
In addition to self-induction, mutual induction also comes into play due to the magnetic coupling between neighboring coils. These two induced voltages—self-induced and mutually induced—combine to form what is known as the reactance voltage.
This reactance voltage opposes the reversal of current, causing it to lag behind the ideal linear trajectory. The presence of reactance voltage slows down the rate at which current changes direction, leading to delayed commutation. Consequently, by the time the commutator segment leaves the brush, the current reversal is incomplete, and sparking occurs.
Minimizing the Effect of Reactance Voltage
To prevent under-commutation and reduce sparking, it is crucial to minimize the inductance of the coil. One effective way to achieve this is by reducing the number of turns in each armature coil. Fewer turns mean lower inductance, which in turn means a smaller reactance voltage during commutation. With a reduced opposition to current change, the current can reverse more quickly, bringing it closer to the ideal linear commutation path.
Moreover, other methods such as using interpoles (commutating poles) or compensating windings can also be employed to counteract the effect of reactance voltage, further improving commutation quality.
What is Resistance and Voltage Commutation?
In machines like motors and generators, there’s a very important process called commutation. This process helps the machine run smoothly by switching the current in the right direction at the right time.
But sometimes, commutation doesn’t happen quickly enough. This is called delayed commutation, and it can cause sparking and damage to the machine.
Now let’s understand how we can solve this problem in two easy ways:
1. Resistance Commutation
Imagine there’s a small part of the motor called a commutating coil. When electricity flows through it, there are two things we care about:
- The resistive voltage drop (like the force slowing it down)
- The reactance voltage (which creates a delay in switching)
If we increase the resistive voltage, it helps reduce the bad effect of the reactance voltage. This means commutation becomes better and faster.
How do we do that?
We use carbon brushes. These brushes touch the spinning part of the motor (called the commutator), and they naturally create a small voltage drop which is resistive. This drop actually helps improve commutation.
This method is called resistance commutation — because we are using resistance to help.
2. Voltage Commutation
There is another smart way to improve commutation.
Here, we try to create a voltage in the opposite direction of the unwanted reactance voltage. This helpful voltage cancels out the bad one.
How do we make this happen?
We add special poles in the motor called interpoles or commutating poles. These poles create the right kind of voltage at the right time, which helps switch the current cleanly.
This method is called voltage commutation — because we are using voltage to fix the problem.
Interpoles (Commutating Poles)
When an electric motor runs, the direction of current in some parts of the armature coil keeps changing. This is called commutation. During this change, a small unwanted voltage called reactance voltage is created. This voltage causes a delay in the current change and can lead to sparks between the commutator and the brush.
To stop this problem, we use something called interpoles.
What are Interpoles?
- Interpoles are small extra poles placed between the main big poles inside the motor.
- They are fixed on the inner side of the round outer body (called the yoke).
- These interpoles are placed exactly between two main poles, in a special spot called the GNA (Geometrical Neutral Axis).
- The number of interpoles is always equal to the number of main poles.
- They are small and do not have pole shoes like the main poles.
- Also, interpoles do not get magnetically overloaded, which is a good thing!
How Do Interpoles Work?
A simple coil with only a few turns of thick wire is wound on each interpole. This coil carries current and creates a helpful magnetic field.
When the armature is changing the direction of current (commutating), the magnetic field from the interpole cancels out the unwanted reactance voltage. This makes the current change smooth and fast, and stops the sparking at the brush.
What Are Interpoles in a Machine?
Interpoles are small poles placed between the main poles in a DC machine, like a motor or a generator. They play a very important role in helping the machine run smoothly.
Now imagine a machine running. Inside, there’s a part called the armature that keeps rotating and creating electricity. But sometimes, when the direction of current changes in some coils (this is called commutation), a small disturbance is created. This disturbance is called reactance voltage, and it can make the machine spark or work less efficiently.
Here’s where interpoles come to the rescue!

They create a small magnetic push (we call this mmf, or magnetomotive force) that helps cancel out that reactance voltage. Think of it like a little helper standing right where the trouble is, calming things down so the machine doesn’t get upset.
But that’s not all—they also fix another problem. When the armature rotates, it creates its own magnetic field. This can mess up the main magnetic field of the machine, especially near the edges of the main poles. Interpoles clean up this mess too by cancelling out that unwanted magnetic effect. So they do two jobs:
- Stop the sparking during commutation.
- Fix the disturbance caused by the rotating armature’s magnetic field.
Now, because both these problems depend on how much current the armature is using, we connect the interpole winding (the wire wrapped around the interpole) in series with the armature. That means they both carry the same current. So when the armature current increases, the interpole automatically becomes stronger to fix the bigger problems.
Also, the direction of the current in interpoles must be just right:
- In a generator, the interpole should act like the next main pole in the direction of rotation.
- In a motor, it should act like the last main pole it passed.
This makes sure everything stays in harmony.
One last thing—interpoles work only in their small area between the main poles. They don’t improve the overall power or speed of the machine. But still, they are super important because they help the machine run cleanly, quietly, and without any trouble.
Conclusion
Commutation is a critical aspect of DC machine operation, and its quality directly affects the machine’s performance and durability. While linear commutation represents the ideal case, practical limitations due to coil inductance often lead to under-commutation and sparking. Understanding the role of inductance and reactance voltage helps in designing machines that minimize these issues, either by limiting the number of coil turns or by introducing additional electromagnetic components to assist in current reversal. Proper attention to commutation ensures efficient, reliable, and long-lasting machine performance.
FAQ
What is commutation in a DC machine?
A: Commutation is the process of reversing the direction of current in the armature coils of a DC machine. It happens at the moment when the coil is short-circuited by the brushes as it moves from one commutator segment to the next.Why is commutation needed in DC machines?
A: Commutation ensures smooth current reversal in the armature coils, which is essential to keep torque constant in a motor and voltage output smooth in a generator.How does commutation differ in a DC generator and DC motor?
A: The basic process is the same, but:
In a DC generator, commutation converts AC induced in the armature to DC at the terminals.
In a DC motor, it helps maintain unidirectional torque by reversing current in the rotating coils.What are interpoles in a DC machine?
A: Interpoles are small auxiliary poles placed between the main poles of a DC machine. They help improve commutation by reducing sparking.How do interpoles work?
A: Interpoles produce a magnetic field that neutralizes the reactance voltage in the short-circuited coil, making current reversal faster and smoother during commutation.Are interpoles used in all DC machines?
A: No. Interpoles are mainly used in larger or high-load DC machines where commutation problems are more severe. Small machines may not require them.