Superposition Theorem
In this article on Superposition Theorem Examples with Solutions, you will learn how to apply the Superposition Theorem step-by-step, understand its mathematical foundation, and solve real numerical problems involving DC, AC (phasor), mixed DC+AC, and dependent-source circuits.
Thank you for reading this post, don't forget to subscribe!📖 Definition
The Superposition Theorem is a fundamental principle that states:
👉 In any linear, bilateral D.C. network containing more than one independent source (voltage or current sources), the potential difference or current across any element is equal to the algebraic sum of the individual effects of each source acting alone.
- Ideal voltage sources → replaced by short circuit (V = 0)
- Ideal current sources → replaced by open circuit (I = 0)
superposition theorem electrical circuits

🧠 Theory Explained
When a circuit contains multiple sources, finding the total response (voltage or current) directly can be complicated. To simplify:
- Keep one source active while replacing all other voltage sources with short circuits and current sources with open circuits.
- Calculate the required voltage or current in the desired branch.
- Repeat the process for each source individually.
- Finally, add all the individual responses algebraically to obtain the actual value.
🛠️ Step-by-Step Procedure
(i) Select one source and replace all other sources:
- Voltage sources → short circuit
- Current sources → open circuit
(ii) Calculate the voltage or current in the branch or element due to the selected source.
(iii) Repeat the same steps for the remaining sources.
(iv) Add all responses algebraically:
Vtotal=V1+V2+V3+…
Itotal=I1+I2+I3+…
👉 This gives the actual voltage/current when all sources are active simultaneously.
📌 Key Note
It is called “Superposition” because the individual contributions of each source are superimposed (added together) to obtain the final response.
Superposition Theorem – Importance in Circuit Analysis and Conditions
🔹 Why It Matters in Circuit Analysis
When a circuit contains multiple voltage and current sources, its analysis often becomes complicated.
- If solved only using Kirchhoff’s Laws (KCL/KVL), the calculations can be long and tedious.
- The Superposition Theorem simplifies this by breaking the problem into smaller parts, making analysis easier.
✅ Advantages:
- Clarity: It shows the individual effect of each source on the circuit.
- Flexibility: It is valid for both DC and AC circuits (AC analysis is done using phasors).
- Practical Value: Widely used in
- Amplifiers
- Communication Systems
- Circuits with both DC + AC sources (e.g., transistor amplifiers with bias + signal).
🔹 Conditions for Applying the Superposition Theorem
Although powerful, this theorem is not universally applicable. It holds only under certain conditions:
1. Linearity (Linear Circuit)
- The circuit must be linear, i.e., it should obey Ohm’s Law.
- Allowed elements: Resistors, Linear Inductors, Linear Capacitors.
2. Bilateral Elements
- Circuit elements must behave the same way for current in either direction.
- Examples: Resistors, Inductors, Capacitors.
3. Independent Sources Only
- The theorem applies only to independent voltage and current sources.
- Dependent sources cannot be turned off and must remain active in the circuit.
4. Only Voltages and Currents are Superimposed
- Superposition applies to voltages and currents only.
- Power cannot be directly superimposed, because:
P = V² / R
P = I² × R
These are non-linear relationships, so power cannot be added algebraically.
Derivation of the Superposition Theorem
Linearity Principle
The foundation of the Superposition Theorem lies in the Principle of Linearity, which in mathematics is expressed as:
f(a + b) = f(a) + f(b)
This means that for a linear system, when two inputs are applied simultaneously, the response is equal to the sum of the individual responses obtained by applying each input separately.
Explanation in Circuit Terms
In a linear circuit (consisting of resistors, capacitors, and inductors), the voltage or current is always proportional to the applied source.
- When multiple independent sources act together, their individual contributions add up algebraically to form the total response.
For example, if the current through a resistor is contributed by two independent sources, then the total current is:
superposition theorem formula
Itotal = I(Source 1) + I(Source 2)
Proof Using Circuit Laws
1. Kirchhoff’s Current Law (KCL)
At any node, the sum of currents is zero. Since current is a linear function of applied voltage, the total node current is equal to the sum of the currents contributed by each source individually.
2. Kirchhoff’s Voltage Law (KVL)
In any closed loop, the algebraic sum of voltages is zero. For linear components (R, L, C), voltages add linearly. Hence, the net loop voltage is simply the sum of the voltages due to each source.
3. Linear Operators
The circuit equations derived from KCL and KVL are linear algebraic or differential equations. Solutions of linear systems always follow the principle of superposition:
Overall Solution = Sum of Individual Solutions
Superposition Theorem Examples with Solutions
Superposition Theorem Problem No. 01
👉 Problem Statement:
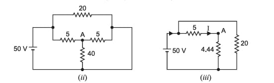
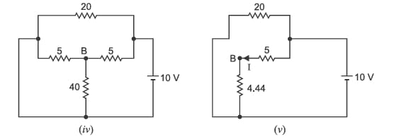
Find the current flowing through the 40 Ω resistor in the circuit shown (Fig. (i)) using the Superposition Theorem. All resistances are in ohms.

✅ Step 1: Considering 50 V Source Alone
- Replace the 10 V battery with a short circuit so that only the 50 V source is active.
- The right-hand 5 Ω resistor is in parallel with the 40 Ω resistor, giving:
R=5×40/5+40=4.44 Ω
- This 4.44 Ω resistance is in series with the left-hand 5 Ω, so:
Req=5+4.44=9.44 Ω
- Total current from the 50 V battery:
I=50/9.44=5.296 A
- Current in 40 Ω resistor using the current divider rule:
I1 = 5.296×(5/5+40) = 5.296×(5/45) = 0.589 A (downward)

✅ Step 2: Considering 10 V Source Alone
- Replace the 50 V source with a short circuit so that only the 10 V source is active.
- Two parallel branches: 20 Ω and 9.44 Ω.
- Current from a 10 V source:
I=(10/9.44)=1.059 A
- Current in 40 Ω resistor using the current divider rule:
I2=1.059×(5/5+40)=1.059×(5/45)=0.118 A (downward)

✅ Step 3: Total Current by Superposition
Add both contributions algebraically:
Itotal=I1+I2=0.589+0.118=0.707 A (downward
🔹 Final Answer
The current through the 40 Ω resistor is:
0.707 A (downward)
Example 2: Superposition Theorem – Current in Load and Supply of Each Battery
👉 Superposition Theorem Problem No. 02:
In the circuit of Fig. 3.46 (i), the internal resistances of the two 12 V batteries are 0.12 Ω and 0.08 Ω.
Calculate:
- The current flowing in the load (0.5 Ω resistor).
- The current supplied by each battery.

✅ Step 1: Considering the Left-Hand 12 V Source Acting Alone
- Replace the right-hand 12 V source with its internal resistance.
- Equivalent resistance of the circuit:
R=0.12+(0.08×0.5)/(0.08+0.5)=0.189 Ω
- Total current:
I1′=12/0.189=63.5 A
- Current through 0.08 Ω resistor:
I2′=63.5×(0.5/0.08+0.5)=54.74 A
- Current through 0.5 Ω load:
I3′=63.5×(0.08/0.08+0.5)=8.76 A

✅ Step 2: Considering Right-Hand 12 V Source Acting Alone
- Replace the left-hand 12 V source with its internal resistance.
- Equivalent resistance:
R=0.08+(0.12×0.5/0.12+0.5)=0.177 Ω
- Total current:
I2′′=12/0.177=67.8 A
- Current through 0.12 Ω resistor:
I1′′=67.8×(0.5/0.12+0.5)=54.6 A
- Current through 0.5 Ω load:
I3′′=67.8×(0.12/0.12+0.5)=13.12 A

✅ Step 3: Resultant Currents by Superposition
Now, add the effects algebraically:
- Current in first battery:
I1=I1′−I1′′=63.5−54.6=8.9 A
- Current in the second battery:
I2=I2′′−I2′=67.8−54.74=13.06 A
- Current in load (0.5 Ω resistor):
I3=I3′+I3′′=8.76+13.12=21.88 A
🔹 Final Answer
- Current through 0.5 Ω load = 21.88 A
- Current supplied by first battery = 8.9 A
- Current provided by the second battery = 13.06 A
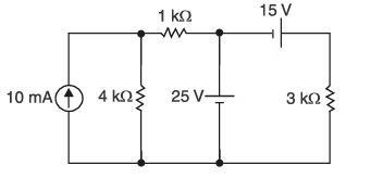
Superposition Theorem Problem No. 03
Using the superposition principle, find the voltage across the 1 kΩ resistor in the given circuit (Fig.). Assume the sources to be ideal.

✅ Solution
(i) When Current Source (10 mA) Acts Alone
- Replace 25 V and 15 V sources with short circuits.
- Equivalent circuit: 1 kΩ in parallel with 4 kΩ.
- Using the current divider rule:
I₁kΩ = (4 / (1+4)) × 10 = 8 mA
- Voltage across 1 kΩ resistor:
V₁ = (8 mA) × (1 kΩ) = 8 V
👉 Thus, voltage due to current source = +8 V

(ii) When 25 V Source Acts Alone
- Replace the 10 mA current source with an open circuit.
- Replace the 15 V source with a short circuit.
- Now, the voltage across 1 kΩ can be found using the voltage divider rule:
V₂ = (1 / (1+4)) × 25 = 5 V
👉 Thus, voltage due to a 25 V source = +5 V

(iii) When 15 V Source Acts Alone
- Replace the 25 V source with a short circuit.
- Replace the 10 mA source with an open circuit.
- Here, the 1 kΩ resistor is shorted → No current flows.
V₃ = 0 V
👉 Thus, voltage due to a 15 V source = 0 V
(iv) Applying Superposition Theorem
Now, total voltage across 1 kΩ resistor:
V₁kΩ = V₁ + V₂ + V₃
V₁kΩ = (+8 V) + (–5 V) + (0 V)
V₁kΩ = 3 V
🎯 Final Answer
The voltage across the 1 kΩ resistor = 3 V
Experiment on Superposition Theorem Examples with Solutions
Experiment 1 – Linearity and Superposition Theorem
🎯 Objective
The purpose of this experiment is to provide students with practical experience in electrical circuit analysis. Through this experiment, you will learn to:
- Understand ground loops and perform simultaneous voltage measurements using two channels of the Digital Storage Oscilloscope (DSO).
- Take accurate readings using a multimeter.
- Determine the proportionality constant from circuit parameters.
- Apply the Node Voltage Method and the Mesh Current Method practically.
- Experimentally verify the Superposition Theorem in electrical circuits.
🧰 Apparatus Required (Equipment List)
- Digital Storage Oscilloscope (GW Instek GDS-1072A-U)
- Function/Arbitrary Waveform Generator (AATech AWG 1020A)
- Multimeters
- Breadboard
- Resistors: 4.7 kΩ, 5.6 kΩ, 6.8 kΩ, 5 × 10 kΩ
📘 Preliminary Work
Before experimenting, revise the following concepts:
- RMS Value
- Ohm’s Law
- Kirchhoff’s Laws
- Voltage Divider Rule
- Superposition Theorem
Additionally, simulate the given circuits (Fig. 3.1 to Fig. 3.4b) using PSpice software and prepare a pre-lab report.
📖 Theory – Superposition Theorem
The Superposition Theorem states:
In any linear bilateral circuit with more than one independent source, the current or voltage in a branch is equal to the algebraic sum of the individual effects produced by each independent source acting alone.
To verify this:
- Replace each independent voltage source with a short circuit (V = 0).
- Replace each independent current source with an open circuit (I = 0).
- Find the contribution of each source separately, then add them to obtain the final response.
🛠️ Experimental Procedure
1. Proportionality Constant Measurement (Fig. 3.1)
- Construct the given circuit on a breadboard.
- Set the input voltage, Vin, at five different values in the range 0–15 V.
- Measure output voltage Vout.
- Calculate proportionality constant:

2. Sine Wave Test
- Apply a 5 Vp (1 kHz sine wave) input as Vin.
- Plot Vin and Vout.
- Check whether the linear relationship still holds.
- Record results in the Table
K=Vout/Vin
| Input Voltage VinV (V) | Output Voltage Vout (V) | Proportionality Constant K=Vout/Vin |
|---|---|---|
3. Node Voltages & Mesh Currents (Fig. 3.2)
- SetVin1=8V and Vin2=12V.
- Measure node voltages V1,V2.
- Measure mesh currents I1,I2,I3.

4. Verification of Superposition (Fig. 3.3)
- Construct the circuit on a breadboard.
- Record Vout,V1,V2.

Data Table:
| Quantity | Measured Voltage (V) |
|---|---|
| Vout | |
| V1 | |
| V2 |
5. With One Source Removed (Fig. 3.4a)
- Replace the 15 V source with a short circuit.
- Measure voltage V1 across the 6.8 kΩ resistor.

6. With Other Source Removed (Fig. 3.4b)
- Restore the 15 V source and replace the 5 V source with a short circuit.
- Measure voltage V2 across the 6.8 kΩ resistor.

📊 Post-Lab Questions
- Compare the theoretical and measured values in Table 3.1 (Fig. 3.1). Explain the cause of differences.
- For Superposition Theorem verification (Steps 5–7), compare theoretical and experimental results. Justify the differences.
✅ Key Learning Outcomes
- Observe proportionality in linear circuits practically.
- Apply Node and Mesh Analysis on real-world circuits.
- Experimentally verify the Superposition Theorem and analyze individual source contributions.
- Understand measurement errors and practical limitations.
Experiment 2 – Superposition Theorem Examples with Solutions (DC Circuits)
🎯 Objective
The objective of this experiment is to practically apply and verify the Superposition Theorem on a D.C. electric circuit.
📖 Theory
The Superposition Theorem states:
👉 “In a linear resistive network containing more than one independent source, the current in any branch is equal to the algebraic sum of the currents produced by each independent source acting alone, while all other sources are replaced by their internal impedance.”
- When a voltage source is removed, it is replaced by a short circuit (V = 0).
- When a current source is removed, it is replaced by an open circuit (I = 0).
📌 Example Explanation
Suppose a network contains two voltage sources and we need to calculate branch currents (I₁, I₂, I₃):
Case 1: Keep only the first source active, replace the second by a short circuit.

Case 2: Keep only the second source active, replace the first by a short circuit.

Case 3: Add the effects of both sources algebraically.

👉 If the currents are in the same direction, they are added.
👉 If the currents are in opposite directions, subtract and take the larger value.
This is the standard method followed in superposition theorem examples with solutions.
🧰 Apparatus Required
- Resistor Set (2.2 kΩ, 1 kΩ, 2.3 kΩ)
- Two Power Supply Units
- Voltmeter
- Ammeter
🛠️ Experimental Procedure
- Connect the circuit as shown in Figure 4.

- Measure voltages across resistors (2.2 kΩ, 1 kΩ, 2.3 kΩ) and record in the second column of Table 1.
- Keep only the first source active (short the second source). Measure voltages again and record.
- Keep only the second source active (short the first source). Record the values.
- Add both sets of results algebraically to calculate the voltage using superposition.
- Compare practical values with theoretical values.
📊 Tables
Table 1 – Practical Results
| Resistance (Ω) | V (Both Sources Active) | V (Only Source 1 Active) | V (Only Source 2 Active) | V (Superposition Result) |
|---|---|---|---|---|
| 2.2k | … | … | … | … |
| 1k | … | … | … | … |
| 2.3k | … | … | … | … |
Table 2 – Theoretical Results (By Calculation)
| Resistance (Ω) | V (Theoretical by Superposition) |
|---|---|
| 2.2k | … |
| 1k | … |
| 2.3k | … |
📌 Discussion / Post-Lab Work
- Apply the Superposition Theorem to calculate theoretical voltages and fill in Table 2.
- Compare practical results with theoretical results.
- For the network shown in Figure 5, calculate the voltage between points A and B using the Superposition Theorem.

✅ Key Learning Outcomes
- Practically verify the Superposition Theorem in DC circuits.
- Understand how the effects of different sources are added or subtracted.
- Analyze the reasons for differences between practical and theoretical results.
- Build a strong foundation for real-world applications.
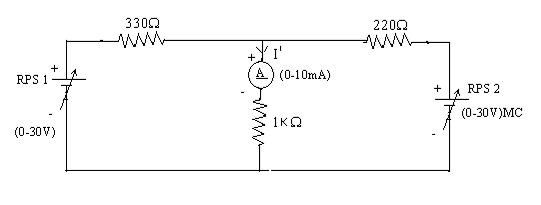
Experiment 3 – Verification of Superposition Theorem Examples with Solutions
🎯 Aim
The aim of this experiment is to:
👉 Verify the Superposition Theorem in the given circuit and compare practical results with theoretical results.
📖 Theory (Superposition Theorem)
The Superposition Theorem states:
👉 In any linear bilateral circuit with more than one source, the current in any branch is equal to the algebraic sum of the currents produced by each independent source acting individually, while the other sources are replaced by their internal resistance.
- When a voltage source is removed → it is replaced by a short circuit (V = 0).
- When a current source is removed → it is replaced by an open circuit (I = 0).
👉 This approach helps us easily solve superposition theorem examples with solutions.
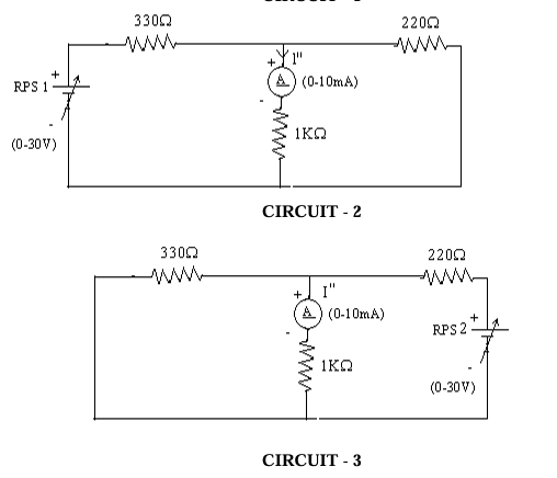
🧰 Apparatus Required
| Sl. No. | Apparatus | Range | Quantity |
|---|---|---|---|
| 1 | Regulated Power Supply (RPS) | 0–30 V | 2 |
| 2 | Ammeter | 0–10 mA | 1 |
| 3 | Resistors | 1 kΩ, 330 Ω, 220 Ω | 3 |
| 4 | Breadboard | – | 1 |
| 5 | Wires | – | Required |
⚠️ Precautions
- Always start the voltage control knob at the minimum position.
- Keep the current control knob of the RPS at the maximum position.
🛠️ Procedure
- Connect the circuit as per the given diagram.

- Set particular voltages on RPS1 and RPS2 and note the ammeter reading.
- Keep only RPS1 active (short RPS2) and note the ammeter reading.
- Keep only RPS2 active (short RPS1) and note the reading.
- Add the results algebraically and verify that:
I=I′+I″I = I′ + I″I=I′+I″

📊 Observations
Theoretical Values
| Circuit | RPS1 (V) | RPS2 (V) | Ammeter Reading (mA) |
|---|---|---|---|
| 1 | 10 V | 10 V | I = 8.83 |
| 2 | 10 V | 0 V | I′ = 3.5 |
| 3 | 0 V | 10 V | I″ = 5.3 |
| ✅ Check | – | – | I = I′ + I″ = 8.83 |
Practical Values
| Circuit | RPS1 (V) | RPS2 (V) | Ammeter Reading (mA) |
|---|---|---|---|
| 1 | 10 V | 10 V | I = 8.5 |
| 2 | 10 V | 0 V | I′ = 3.5 |
| 3 | 0 V | 10 V | I″ = 5.0 |
| ✅ Check | – | – | I = I′ + I″ = 8.5 |
📐 Model Calculations
- When only RPS1 is active → I′=3.5 mA
- When only RPS2 is active → I″=5.0 mA
Now,
I=I′+I″I = I′ + I″I=I′+I″
I=3.5+5.0=8.5 mA
👉 This matches perfectly with the measured value.
✅ Result
- Both practical and theoretical results prove that the Superposition Theorem is valid.
- The current in a branch is equal to the algebraic sum of the contributions of the individual sources.
- Thus, we have successfully verified Superposition Theorem examples with solutions.
Comparisons, Applications, and Limitations of the Superposition Theorem
🔹 Comparisons with Other Theorems
The Superposition Theorem is just one of many tools available in circuit analysis. Here’s how it compares with other methods:
Superposition vs. Nodal Analysis
- Superposition: Useful when you want to see the effect of each independent source separately.
- Nodal Analysis: Faster when there are many nodes but fewer sources.
Superposition vs. Mesh Analysis
- Superposition: Simplifies the analysis when multiple sources exist.
- Mesh Analysis: Often quicker in planar circuits with fewer meshes.
👉 Example: In a circuit with a single loop and multiple sources, mesh analysis may be faster than superposition.
Superposition vs. Thevenin’s Theorem
- Superposition: Better when you need to calculate voltages and currents across multiple elements.
- Thevenin’s Theorem: Better when you are only interested in the effect on a single load element.
Comparison Table – Superposition vs. Nodal, Mesh, and Thevenin’s Theorem
| Feature / Method | Superposition Theorem | Nodal Analysis | Mesh Analysis | Thevenin’s Theorem |
|---|---|---|---|---|
| Main Use | Analyze effect of each independent source separately | Solve voltages at circuit nodes | Solve currents in loops/meshes | Simplify a network to a single source and resistance seen by a load |
| Best For | Circuits with multiple sources (AC/DC mix) | Circuits with many nodes but fewer sources | Planar circuits with fewer meshes | Finding voltage/current across a single load element |
| Approach | One source active at a time; others replaced by internal impedance | Apply KCL equations at nodes | Apply KVL equations in loops | Replace network with Thevenin equivalent (Vth + Rth) |
| Complexity | Time-consuming if many sources | Efficient for multi-node problems | Efficient for fewer loops | Very efficient for single-load analysis |
| Physical Insight | Shows individual contribution of each source | Focuses on node voltages | Focuses on loop currents | Focuses on behavior of circuit as seen by one load |
| Power Calculation | Cannot directly calculate power contributions (nonlinear) | Possible after solving node voltages | Possible after solving loop currents | Possible once equivalent circuit is found |
| DC & AC Applicability | Works for both DC and AC sources | Works for both DC and AC | Works for both DC and AC | Works for both DC and AC |
| Limitation | Not valid for nonlinear or dependent source circuits | Becomes complex with many sources | Becomes complex with many meshes | Requires recalculation if load changes |
✅ Advantages of Superposition
- Simple and clear method for breaking down complex problems.
- Provides physical insight into how each source affects the circuit.
- Works for both DC and AC sources.
❌ Disadvantages of Superposition
- Time-consuming if the circuit has many sources.
- Requires solving the circuit multiple times (once for each source).
- Power cannot be directly calculated using superposition.
Applications & Use Cases
The Superposition Theorem is widely used in electrical engineering:
- Signal Circuits & Amplifier Design
- Amplifiers operate with a DC bias (to set the transistor’s operating point) and an AC signal input.
- Superposition helps separate these effects for easier design.
- Mixed DC + AC Systems
- In circuits with both DC supply and AC signals, superposition simplifies analysis.
- Control Systems & Filters
- Used to analyze how multiple input signals affect the system response.
👉 Practical Example: An audio amplifier uses DC biasing plus an AC input signal. By superposition, the DC bias is analyzed separately from the AC input, and then both contributions are combined to predict the actual operation.
⚠️ Limitations / When It Fails
While powerful, the Superposition Theorem has some strict limitations:
- Nonlinear Elements: Not valid for circuits with nonlinear components (diodes, transistors in nonlinear regions, magnetic cores with hysteresis).
- Power Cannot Be Superimposed: Since P = V²/R or P = I²R, power is nonlinear and does not add linearly.
- Dependent Sources: Cannot be “turned off”; must remain active in each step.
- Non-Independent Sources: Superposition does not apply if sources are not independent.
Conclusion — Superposition Theorem Examples with Solutions
The Superposition Theorem is a fundamental principle that allows us to analyze the individual effects of multiple independent sources (whether voltage or current) present in any linear circuit.
In this article, “Superposition Theorem Examples with Solutions,” we have gained an understanding, through step-by-step experiments, mathematical derivations, and real circuit examples, of how to determine the separate contributions of each source and then combine them to find the final response.
The greatest advantage of this theorem is that it simplifies complex circuits into smaller, more manageable parts, making the analysis faster, clearer, and more effective.
FAQ
What is the Superposition Theorem in circuits?
Answer: The Superposition Theorem states that in any linear electrical circuit containing multiple independent sources, the total current or voltage across any element is the algebraic sum of the individual effects produced by each source acting alone.
It simplifies complex networks by allowing analysis of one source at a time.
To understand practically, refer to our detailed superposition theorem examples with solutions covering both DC and AC circuits.Can superposition apply to power?
Answer: No ❌. The Superposition Theorem cannot be directly applied to power, because power is a nonlinear quantity (proportional to the square of voltage or current).
Only voltages and currents can be superposed.
After finding the total current or voltage, the total power is calculated separately using:
P = V² / R
P = I² × RWhat are dependent sources, and can they be superposed?
Answer: Dependent sources are those whose values depend on another voltage or current in the same circuit (e.g., a voltage-controlled voltage source).
These cannot be turned off during superposition analysis.
They must remain active in every partial circuit since their value changes dynamically with the controlling variable.Is superposition valid for AC circuits?
Answer: Yes ✅. The Superposition Theorem is valid for both DC and AC linear circuits.
In AC circuits, analysis is performed in the phasor domain, and the results are added vectorially, taking into account both magnitude and phase angle.How does the sign convention affect summation?
Answer: Sign convention plays a crucial role in superposition analysis.
Each voltage and current must be added algebraically, keeping the direction and polarity of each source’s effect consistent.
A wrong sign can completely change the final answer — always be careful with current direction and voltage polarity assumptions.
